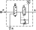
3/2-Wege-Anfahrventil »G«, 230 V AC / 50 Hz, mit Haltewinkel und Schalldämpfer, BG 300, G 1/2, Eingangsdruck 2,5 – 9 bar. Kombiniertes Absperr- und Druckaufbauventil (Anfahrventil). Durch Sekundärdruck betätigt, zur kontrollierten Belüftung von Druckluftanlagen. / Bei Aktivierung der elektrischen Spule öffnet das 3/2-Wegeventil. Wenn der Arbeitsdruck die Hälfte des Eingangsdrucks erreicht hat, öffnet das Ventil ganz. Bei Deaktivierung der elektrischen Spule schließt das 3/2-Wegeventil und die Leitung entlüftet über den Regler. Mit einstellbarer Drossel.
3/2-Wege-Anfahrventil »G«, 230 V AC / 50 Hz, BG 300, G 1/2
93,69 € /Stk.
(78,73 € zzgl. gesetzl. MwSt.)
| Baugröße | |
|---|---|
| D | |
| EAN | |
| Umgebungstemperatur max. | |
| Eingangsdruck max. | |
| Durchflusswertmessung | |
| Elektrischer Anschluss | |
| Serie | |
| Durchfluss |














